From Wikipedia   Geloso, founded in 1931 by John Geloso, was an Italian manufacturer of radios, televisions, amplifiers, amateur receivers, audio equipment and electronic components, that had headquarters in Milan, Viale Brenta 29.

In 1931 they began to produce not only Radio sets but also, by choice of John Geloso same, most of the electronic components with which they were built, and over time developing and patenting also many others.

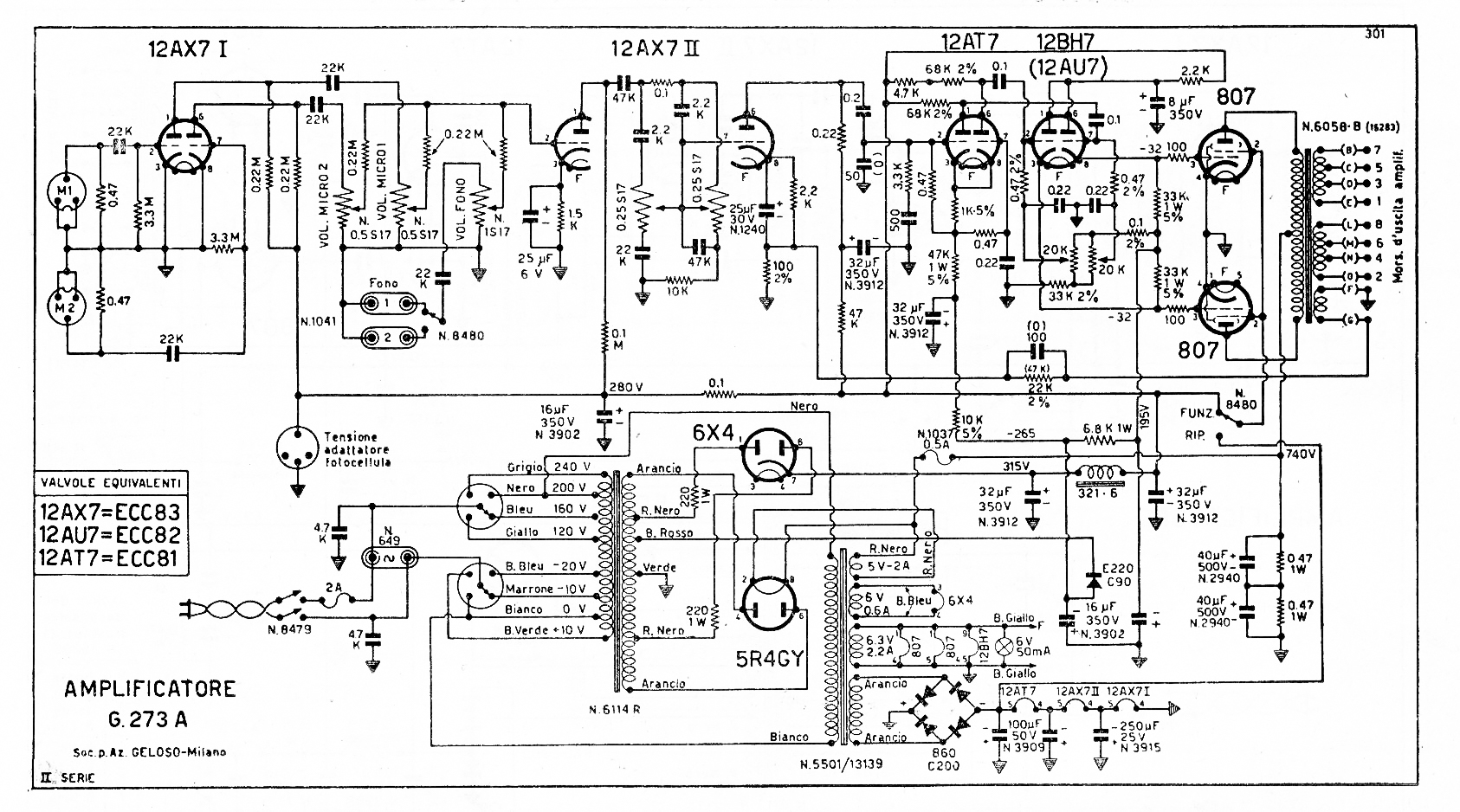
After the Second World War, Geloso expanded and expanded his production, becoming from 1950 onwards a real point of reference for domestic electronics enthusiasts and hobbyists.

The many products under the brand name Geloso were known throughout Italy and much appreciated abroad. It was innovative products, high quality, well-made and the low price. The big production was formed of radios, amplifiers, tape recorders, televisions, boxes of assembly, professional laboratory instruments etc. but also components such as capacitors, resistors, potentiometers, switches, connectors, transformers, microphones, etc. (page opens in new browser window)

   Video The Geloso Twins and The G4/216 Receiver  

  Pictures


  Return to Radio Pictures
  Return to MCRN Home